5ST3795-0 Szyna kołkowa kompaktowa, 10mm2 przyłącze: 3-bieg./N (RCCB N-po prawej) 1x RCCB 4-bieg. + 1x wyłącznik

5ST3795-0 Szyna kołkowa kompaktowa, 10mm2 przyłącze: 3-bieg./N (RCCB N-po prawej) 1x RCCB 4-bieg....
- Tylko online
- Obniżka


Dostępne są zabezpieczenia w zakresie od 2 do 16A o charakterystyce wyzwalaczy nadmiarowoprądowych B i C. W zakresie ochrony różnicowopradowej seria 5SV1 oferuje wyzwalacze typu AC, A i F.
Zaciski w wyłącznikach 5SV1 umożliwiają podłączenie przewodów o przekroju do 16 mm2. Dostępne są dedykowane, kompaktowe szyny łączeniowe ułatwiające dystrybucję zasilania w grupie wyłączników.
Kolorowa sygnalizacja stanu załączenia/wyłączenia, umożliwia proste rozpoznanie pozycji wyłącznika.

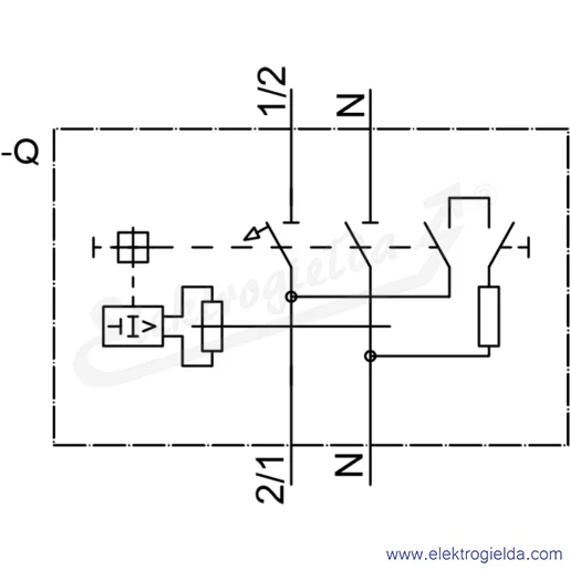
Wyłączniki 5SV1 posiadają wyzwalacz różnicowoprądowy o działaniu elektromechanicznym - niezależnym od napięcia zasilania. Tylko tego typu wyzwalacze różnicowoprądowe mogą być stosowane w zabezpieczeniach oferowanych na polskim rynku

Do wyłącznika kombinowanego 5SV1 można zamontować wszystkie akcesoria wspólne z aparaturą modułową z rodziny SENTRON - są to napędy zdalne (RC), maksymalnie dwa moduły styków dodatkowych: styk pomocniczy (AS) i styk alarmowy (FC), wyzwalacze wzrostowe (ST), wyzwalacze zanikowe (UVR).

Standardowo wyłączniki testowane są zgodnie z normą PN-EN 60898-1, która zakłada, że dostęp do zabezpieczeń instalacji elektrycznej mają osoby niewykwalifikowane. Znamionowa zdolność łączeniowa dla serii 5SV1 to 6kA wg. normy PN-EN 60898-1 oraz 10 kA wg. normy PN-EN 60947-2.

Wyłączniki kombinowane 5SV1 gwarantują 50% oszczędności miejsca w porównaniu z klasycznym rozwiązaniem wyłącznika kombinowanego.

Specjalne szyny łączeniowe umożliwiają łatwe zasilenie wielu zabezpieczeń jednocześnie, skracając przy tym czas niezbędny na podłączenie aparatury.

Stosowanie indywidulanego zabezpieczenia różnicowoprądowego w każdym obwodzie np. takiego jak wyłącznik kombinowany 5SV1 zwiększa niezawodność zasilania. W przypadku uszkodzenia wyłączony zostanie pojedynczy obwód, a nie cała grupa jak w przypaku zbiorczego wyłącznika różnicowoprądowego

Aparatura modułowa SENTRON
Bezpieczeństwo, na które Cię stać







































